您好,欢迎访问,深圳市杰可光电有限公司官网
0755-29646149
13602634490
产品中心
您当前所在的位置:首页产品中心贴片LED
JK-0805冰黄
JK-0805冰黄
产品编码:JK-0805冰黄
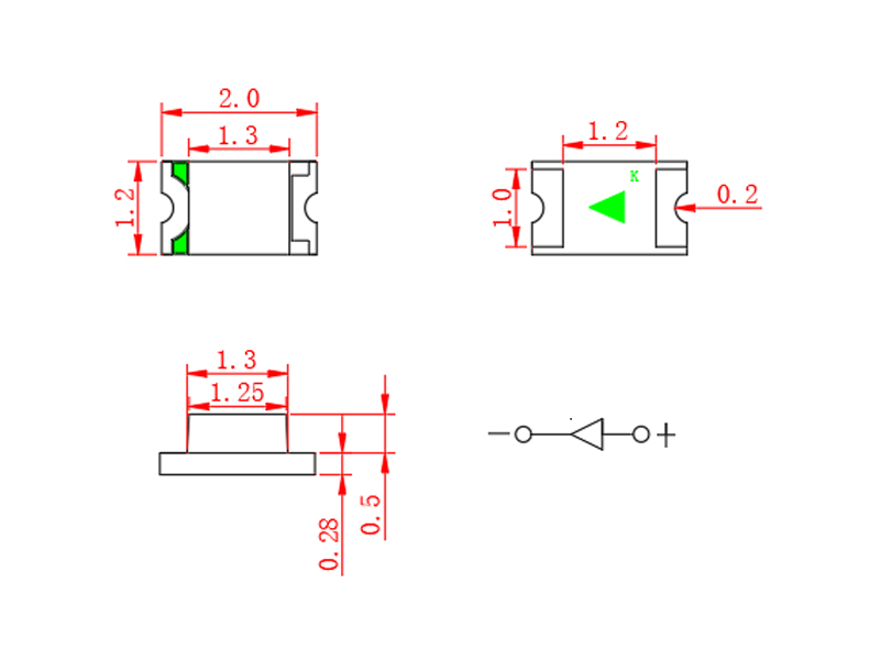
外观尺寸(L/W/H):2.0x1.25 x0.8 mm
颜色:冰黄
胶体:透明平面胶体
EIA规范标准包装
环保产品,符合ROHS要求
适用于自动贴片机
适用于红外线回流焊制程
  • 产品详情
  • 规格下载
0805尺寸图.jpg

备注:1. 单位 : 毫米(mm)

2. 公差 :如无特别标注则为± 0.10 mm

采购:指示类LED:咨询客服或留下联系电话可以获得免费打样(只付样品运费即可)+人员一对一咨询解答!

产品推荐