您好,欢迎访问,深圳市杰可光电有限公司官网
0755-29646149
13602634490
产品中心
您当前所在的位置:首页产品中心贴片LED
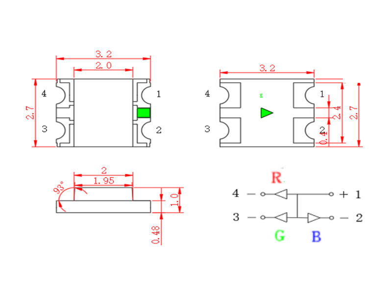
JK-1209RGB共阳特殊银板-1.0T
JK-1209RGB共阳特殊银板-1.0T
产品编码:JK-1209RGB共阳特殊银板-1.0T
外观尺寸(L/W/H):3.2x2.7x1.0 mm
颜色:红绿蓝三色灯
胶体:透明平面胶体
EIA规范标准包装
环保产品,符合ROHS要求
适用于自动贴片机
适用于回流焊制程
  • 产品详情
  • 规格下载
JK-1209RGB共阳特殊银板-1.0T-1.jpg

注: 1. 单位 : 毫米(mm)。

2. 公差 :如无特别标注则为± 0.10 mm。

采购:指示类LED:咨询客服或留下联系电话可以获得免费打样(只付样品运费即可)+人员一对一咨询解答!

产品推荐